Integrator disabled by spec value [ERROR 298]

Module 1,01,02 Block 1001 integrator disabled by S4 value

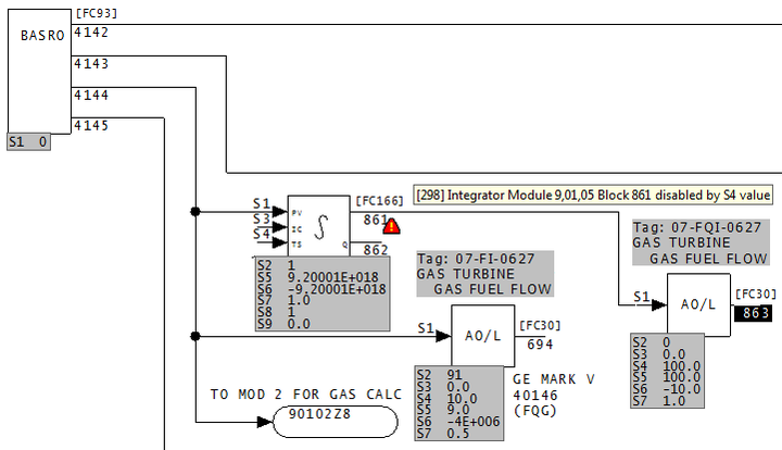
This INTEG: Integrator [FC166] block has a value of zero for S4, so it will never output anything but the preprogrammed initial value on S3.

An integrator block with S4 unwired gets the default value 0 applied to that specification. This means that the output is the value of what is wired to S3, and it does not integrate. If the integrator is intended to function, a constant [1] (or a Boolean signal) must be wired to S4.

E298.png

This message is likely to show an error in the system configuration. It should be reviewed. The issue raised may be in unused logic or graphics, or have other realities that make it a non-issue.

Please contact us for help resolving your error messages.