Function block disabled [ERROR 297]

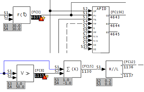
Module 1,01,02 Block 1001 FC3 disabled by spec values

A lead/lag F(t) FC 3 or rate limiter H//L FC 8 has been disabled by the enabling specification S2 being defaulted to the disabled state 0.

This error is generated when these conditions are met:

since both blocks feed the input to the output and do nothing if the above conditions are met.

If the block output can be found to be unused, the message is suppressed.

Builderror297.png

This message is likely to show an error in the system configuration. It should be reviewed. The issue raised may be in unused logic or graphics, or have other realities that make it a non-issue.

Please contact us for help resolving your error messages.